Seri SG Lacak bantalan rol
Seri SG Lacak bantalan rol
Seri SG Lacak bantalan rol

Seri SG

Bantalan roller orbital seri SG adalah produk bantalan berkinerja tinggi yang dirancang khusus untuk sistem trek dan panduan. Mereka menggunakan proses manufaktur canggih dan bahan berkualitas tinggi untuk memastikan stabilitas dan daya tahan dalam kondisi ekstrem. Bantalan ini memiliki kapasitas pembawa beban yang sangat baik dan ketahanan aus dan cocok untuk aplikasi tugas berat dan berkecepatan tinggi seperti kereta api, mesin konstruksi dan peralatan penyampaian. Fitur desain dari seri SG termasuk elemen rolling yang dioptimalkan dan bentuk cincin dalam dan luar untuk mengurangi gesekan dan meningkatkan efisiensi. Selain itu, bantalan ini juga berkinerja baik dalam hal penyegelan dan ketahanan debu, secara efektif memperpanjang masa pakai mereka. Apakah dalam lingkungan yang keras atau kondisi operasi yang kompleks, bantalan roller orbital SG Series dapat memberikan kinerja yang andal dan memastikan pengoperasian peralatan yang aman.

Kirim Permintaan

Bantalan Roller Track Seri SG-Solusi Industri Long-Load, Long-Life

Bantalan Roller Track Seri SG adalah bantalan rol tugas berat yang dirancang untuk lingkungan industri yang keras, cocok untuk beban dampak tinggi, operasi kontinu dan kondisi suhu ekstrem. Terbuat dari proses pembuatan baja dan presisi berkualitas tinggi, mereka memastikan gesekan rendah, kekakuan tinggi dan masa pakai ultra-panjang, membuatnya ideal untuk mesin konstruksi, peralatan otomatisasi, dan sistem kereta api.

Daya tahan yang sangat baik
Terbuat dari baja bantalan degassed vakum (SUJ2), dengan kekerasan HRC 60-64, resistensi keausan meningkat 50%.
Perawatan fosfasi permukaan, kinerja tahan karat memenuhi standar ISO, cocok untuk lingkungan yang keras seperti kelembaban dan debu.

Kapasitas beban tinggi
Peringkat beban dinamis (C) mencapai XX KN, beban statis (C0) mencapai XX KN (isi sesuai dengan data aktual), mendukung gaya kombinasi radial dan aksial.
Desain cincin luar yang diperkuat, resistensi dampak 30% lebih baik daripada produk serupa.

Desain pemeliharaan rendah
Struktur segel pra-pelumasan (segel LLB opsional atau tutupan debu logam), umur minyak hingga 10.000 jam.
Desain modular mendukung penggantian cepat dan mengurangi waktu henti.

Operasi yang tepat
Toleransi Tingkat hingga ISO P6, nilai getaran operasi lebih rendah dari standar industri, cocok untuk sistem kereta panduan presisi tinggi.

Mengapa Memilih Seri SG Kami?
Layanan khusus: Dukungan ukuran non-standar, lapisan khusus (seperti pelapisan nikel) dan kustomisasi pelumas.
Verifikasi Global: Produk diekspor ke 30 negara.

Skenario Aplikasi
Mesin Industri: Mesin cetak, mesin pembuatan kertas, mesin otomatisasi, mesin tekstil, mesin penjual otomatis, mesin pengerjaan kayu, mesin pengemasan
Peralatan Elektronik: Lengan Robotik, Peralatan Pengukur, Platform X-Y, Peralatan Medis, Peralatan Otomasi Pabrik
Rotary Machinery: Reaktor perlakuan panas logam, sistem rem, dll.
Industri Aerospace: Rem flap pesawat, rem kursi, rudal, peralatan bandara, dll.
Lainnya: rem antena siaran, kontrol pintu dan jendela, kontrol tempat tidur medis, fasilitas parkir, pintu alat mesin, otomatisasi laboratorium, dll.

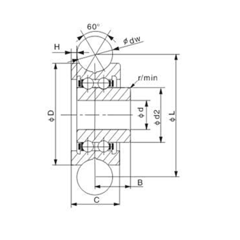
Parameter Produk

Jenis Dimensi (mm) Muat (kn) Berat
Dw d D C B L d2 H Cw Sapi (Kg)
SG15 6 5 17 8 5.75 20.46 8.6 1 1.27 0.82 8
SG15-10 10 5 17 8 5.75 25.5 8.6 1 1.27 0.82 9
SG20 8 6 24 11 7.25 28.62 11.1 1.2 3.4 1.7 25
SG25 10 8 30 14 8.5 35.77 13 1.5 3.67 2.28 49
SG35 12 12 42 19 12.5 48.93 18 1.5 8.5 5.1 136
SG15N 6 5 17 8 5.75 20.46 8.6 0.5 1.27 0.82 8
SG20N 8 6 24 11 7.25 28.62 11.1 0.7 3.4 1.7 25
SG25N 10 8 30 14 8.5 35.77 13 1 3.67 2.28 49
SG35N 12 12 42 19 12.5 48.93 18 1 8.5 5.1 136

Tentang Yinin

Perusahaan Bearing dan Transmisi Shanghai Yinin Berdiri pada tahun 2009, dengan lebih dari 20 tahun pengalaman di bidang bearing. Kami adalah Pabrikan Seri SG Lacak bantalan rol Tiongkok dan menyediakan Pabrik Seri SG Lacak bantalan rol Khusus. Sejak tahun 1999, kami telah bertindak sebagai agen produsen bearing Tiongkok, mengekspor berbagai bearing. Saat ini, kami telah berkembang menjadi grup bearing komprehensif yang mengintegrasikan penjualan dan produksi.

Aplikasi Industri

Bantalan juga memainkan peran yang sangat penting dalam mesin pertanian. Mereka digunakan untuk m...

Bantalan banyak digunakan di mobil. Mereka adalah bagian utama yang mendukung dan berputar dari b...

Digunakan untuk dukungan, tinggi, sudut, sambungan, dan bagian yang berputar dari peralatan medis...

Digunakan untuk dukungan, rotasi, motor dan kompresor dari peralatan rumah tangga.

Digunakan untuk rotasi dan pergerakan dukungan dan panduan bagian peralatan otomatisasi

Dalam struktur bangunan, bantalan dapat digunakan untuk menghubungkan berbagai komponen struktura...

Dalam proses produksi makanan dan minuman, pompa diperlukan untuk mengangkut cairan dan kompresor...

Bantalan digunakan di mesin pesawat terbang dan pesawat ruang angkasa untuk mendukung komponen be...

Berita dan Informasi

Pelajari Lebih Lanjut

2026-02-26

Apa Perbedaan Penting Antara Tingkat Presisi P6 dan P5 ...
Dalam dunia permesinan Computer Numerical Control (CNC) yang berpresisi tinggi, kinerja 6000 bantalan bola sangat penting untuk mencapai akurasi sub-mikron. Sebagai pekerja keras Bantala...

2026-02-19

Analisis Teknis: Apa Perbedaan Utama Antara Bantalan Bo...
Di bidang teknik presisi tinggi, pemilihan material yang tepat bantalan bola dalam alur baja tahan karat adalah keputusan yang menentukan umur operasional dan keselamatan seluruh mesi...

2026-02-12

Apakah Bantalan Bola Stainless Steel 6200 Diperlukan un...
Di bidang teknik gerak putar, seri 6200 adalah salah satu bantalan bola dalam alur yang paling banyak digunakan karena keserbagunaannya dan kapasitas beban radial yang dioptimalkan. Namun, ketika b...

Hubungi Kami

SUBMIT

Konsultasi Teknis

  • Perusahaan Bearing dan Transmisi Shanghai Yinin

    Solusi Khusus

  • Perusahaan Bearing dan Transmisi Shanghai Yinin

    R&D Berkelanjutan

  • Perusahaan Bearing dan Transmisi Shanghai Yinin

    Kontrol Kualitas

  • Perusahaan Bearing dan Transmisi Shanghai Yinin

    Dukungan Teknis dan Pelatihan

  • Perusahaan Bearing dan Transmisi Shanghai Yinin

    Respon Cepat

Jika Anda memiliki konsultasi teknis atau umpan balik, kami akan memberikan balasan paling profesional sesegera mungkin!

Hubungi Kami