Seri 29400 Bantalan rol bola dorong
Seri 29400 Bantalan rol bola dorong
Seri 29400 Bantalan rol bola dorong

Seri 29400

Bantalan roller bola dorong seri 29400 adalah bantalan berkinerja tinggi yang dirancang khusus untuk menahan beban berat dan gaya aksial. Ini banyak digunakan dalam industri metalurgi, pertambangan, pembuatan kapal dan mesin berat. Fitur strukturalnya adalah bahwa baik cincin bagian dalam dan luar bersifat bola dalam desain, yang secara efektif dapat beradaptasi dengan perpindahan sudut yang disebabkan oleh kesalahan pemasangan atau eksentrisitas poros. Rol rangkaian bantalan ini bersifat silindris, menyediakan area kontak yang lebih besar dan secara signifikan meningkatkan kapasitas dan stabilitas penahan beban. Pada saat yang sama, bantalan seri 29400 memiliki ketahanan aus yang tinggi dan ketahanan panas, memastikan keandalan di bawah operasi beban tinggi jangka panjang. Keuntungan utamanya adalah ketahanan kelelahan yang sangat baik dan karakteristik kebisingan rendah, membuatnya cocok untuk digunakan di lingkungan yang keras. Pemeliharaan dan pelumasan bantalan juga relatif sederhana, lebih lanjut mengurangi biaya penggunaan.

Kirim Permintaan

Parameter Produk

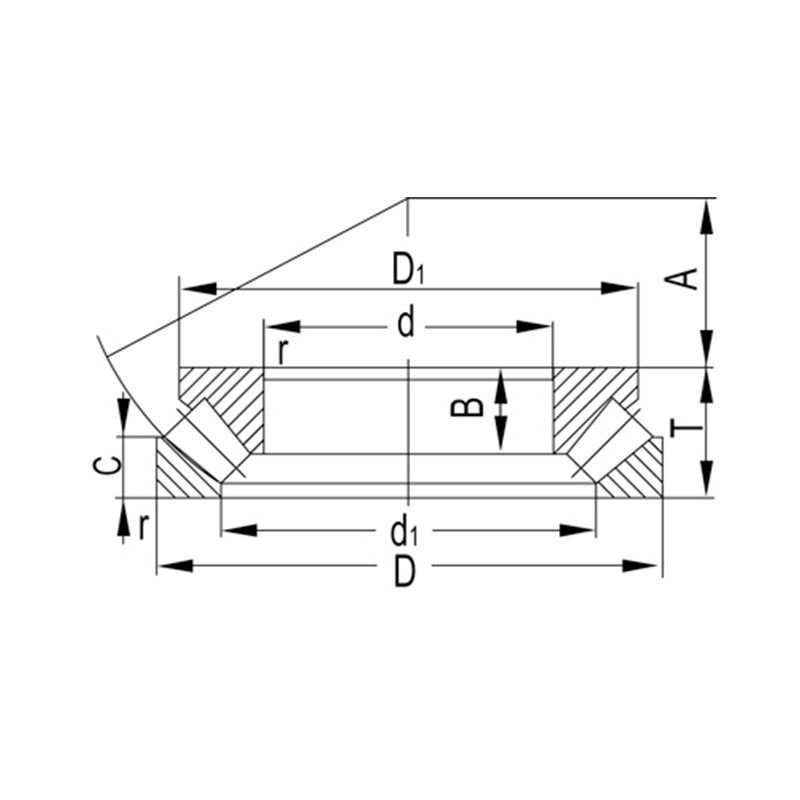
Penamaan Dimensi utama (mm) Peringkat beban Dasar (kN) Kecepatan Terbatas (RPM) Berat
d D B rs min Dynamic (CR) Static (cor) Minyak (kg)
29412 60 130 42 1.5 283 805 2600 2.78
29413 65 140 45 2 330 945 2400 3.44
29414 70 150 48 2 365 1040 2200 4.19
29415 75 160 51 2 415 1190 2100 5.07
29416 80 170 54 2.1 460 1380 1900 6.09
29417 85 180 58 2.1 490 1480 1800 7.2
29418 90 190 60 2.1 545 1680 1700 8.38
29420 100 210 67 3 685 2130 1500 11.5
29422 110 230 73 3 845 2620 1400 15
29424 120 250 78 4 975 3050 1300 18.6
29426 130 270 85 4 1080 3550 1200 23.7
29428 140 280 85 4 1110 3750 1200 25.2
29430 150 300 90 4 1280 4350 1100 30.5
29432 160 320 95 5 1500 5150 1000 37
29434 170 340 103 5 1660 5750 940 45
29436 180 360 109 5 1840 6200 890 52.9
29438 190 380 115 5 2010 6800 840 62
29440 200 400 122 5 2230 7650 790 73.3

Tentang Yinin

Perusahaan Bearing dan Transmisi Shanghai Yinin Berdiri pada tahun 2009, dengan lebih dari 20 tahun pengalaman di bidang bearing. Kami adalah Pabrikan Seri 29400 Bantalan rol bola dorong Tiongkok dan menyediakan Pabrik Seri 29400 Bantalan rol bola dorong Khusus. Sejak tahun 1999, kami telah bertindak sebagai agen produsen bearing Tiongkok, mengekspor berbagai bearing. Saat ini, kami telah berkembang menjadi grup bearing komprehensif yang mengintegrasikan penjualan dan produksi.

Aplikasi Industri

Bantalan juga memainkan peran yang sangat penting dalam mesin pertanian. Mereka digunakan untuk m...

Bantalan banyak digunakan di mobil. Mereka adalah bagian utama yang mendukung dan berputar dari b...

Digunakan untuk dukungan, tinggi, sudut, sambungan, dan bagian yang berputar dari peralatan medis...

Digunakan untuk dukungan, rotasi, motor dan kompresor dari peralatan rumah tangga.

Digunakan untuk rotasi dan pergerakan dukungan dan panduan bagian peralatan otomatisasi

Dalam struktur bangunan, bantalan dapat digunakan untuk menghubungkan berbagai komponen struktura...

Dalam proses produksi makanan dan minuman, pompa diperlukan untuk mengangkut cairan dan kompresor...

Bantalan digunakan di mesin pesawat terbang dan pesawat ruang angkasa untuk mendukung komponen be...

Berita dan Informasi

Pelajari Lebih Lanjut

2026-03-26

Apa Keuntungan Struktural Menggunakan Bantalan Bola Bar...
Dalam teknik mesin presisi tinggi, pilihan antara komponen terintegrasi dan rakitan modular sering kali menentukan stabilitas akhir sistem. Untuk aplikasi rotasi yang memerlukan kekakuan tinggi, ...

2026-03-19

Mengapa 6000 Ball Bearing Anda Terlalu Panas, dan Bagai...
Di bidang mesin berputar presisi, itu 6000 bantalan bola adalah komponen yang ada di mana-mana, disukai karena kemampuannya menangani beban radial dan aksial dalam ukuran kompak 10x26...

2026-03-12

Mengapa Bantalan Bola Alur Dalam Baja Tahan Karat Food ...
Dalam lingkungan produksi makanan dan minuman yang berisiko tinggi, keandalan mekanis dan keamanan biologis tidak dapat dipisahkan. Pilihan dari bantalan bola dalam alur baja tahan karat ada...

Hubungi Kami

SUBMIT

Konsultasi Teknis

  • Perusahaan Bearing dan Transmisi Shanghai Yinin

    Solusi Khusus

  • Perusahaan Bearing dan Transmisi Shanghai Yinin

    R&D Berkelanjutan

  • Perusahaan Bearing dan Transmisi Shanghai Yinin

    Kontrol Kualitas

  • Perusahaan Bearing dan Transmisi Shanghai Yinin

    Dukungan Teknis dan Pelatihan

  • Perusahaan Bearing dan Transmisi Shanghai Yinin

    Respon Cepat

Jika Anda memiliki konsultasi teknis atau umpan balik, kami akan memberikan balasan paling profesional sesegera mungkin!

Hubungi Kami