Rumah / Produk / Laher / Bantalan bola dorong / Seri 51400
Seri 51400 Bantalan bola dorong
Seri 51400 Bantalan bola dorong
Seri 51400 Bantalan bola dorong

Seri 51400

Bantalan Bola Dorong Seri 51400 adalah bantalan yang dirancang khusus untuk menahan beban dorong. Mereka biasanya terdiri dari dua cincin (bagian dalam dan luar) dan satu set bola yang memberikan dukungan bergulir antara cincin dalam dan luar. Rangkaian bantalan ini memiliki kapasitas pembawa beban yang sangat baik dan ketahanan aus, dan cocok untuk aplikasi beban tinggi dan berkecepatan rendah. Bantalan bola dorong seri 51400 banyak digunakan dalam mobil, manufaktur mesin, penerbangan dan industri lainnya, dan dapat secara efektif mengurangi gesekan dan meningkatkan efisiensi operasi peralatan. Selain itu, bantalan semacam ini relatif sederhana untuk dipasang dan dipelihara, dapat mempertahankan kinerja yang baik dalam suhu tinggi dan lingkungan korosif, dan merupakan komponen yang sangat diperlukan dalam berbagai jenis peralatan mekanik. Dengan memilih model dan spesifikasi yang sesuai, pengguna dapat memenuhi kebutuhan aplikasi yang berbeda dan memastikan stabilitas dan keandalan peralatan.

Kirim Permintaan

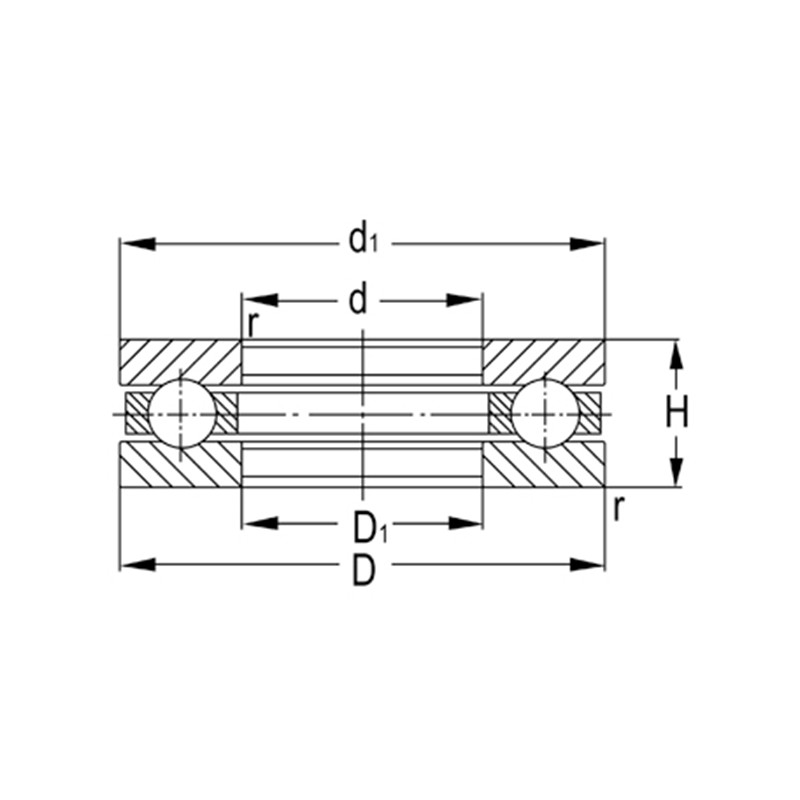
Parameter Produk

Penamaan Dimensi utama (mm) Peringkat beban Dasar (kN) Kecepatan Terbatas (RPM) Berat
d D T Dynamic (CR) Static (cor) Gemuk Minyak (kg)
51405 25 60 24 55.5 89.2 2200 3400 0.31
51406 30 70 28 72.5 125 1900 3000 0.51
51407 35 80 32 86.8 155 1700 2600 0.76
51408 40 90 36 112 205 1500 2200 1.06
51409 45 100 39 140 262 1400 2000 1.41
51410 50 110 43 160 302 1300 1900 1.86
51411 55 120 48 182 355 1100 1700 2.51
51412 60 130 51 200 395 1000 1600 3.08
51413 65 140 56 215 448 900 1400 3.91
51414 70 150 60 255 560 850 1300 4.85
51415 75 160 65 268 615 800 1200 6.08
51416 80 170 68 292 692 750 1100 7.12
51417 85 180 72 318 782 700 1000 8.28

Tentang Yinin

Perusahaan Bearing dan Transmisi Shanghai Yinin Berdiri pada tahun 2009, dengan lebih dari 20 tahun pengalaman di bidang bearing. Kami adalah Pabrikan Seri 51400 Bantalan bola dorong Tiongkok dan menyediakan Pabrik Seri 51400 Bantalan bola dorong Khusus. Sejak tahun 1999, kami telah bertindak sebagai agen produsen bearing Tiongkok, mengekspor berbagai bearing. Saat ini, kami telah berkembang menjadi grup bearing komprehensif yang mengintegrasikan penjualan dan produksi.

Aplikasi Industri

Bantalan juga memainkan peran yang sangat penting dalam mesin pertanian. Mereka digunakan untuk m...

Bantalan banyak digunakan di mobil. Mereka adalah bagian utama yang mendukung dan berputar dari b...

Digunakan untuk dukungan, tinggi, sudut, sambungan, dan bagian yang berputar dari peralatan medis...

Digunakan untuk dukungan, rotasi, motor dan kompresor dari peralatan rumah tangga.

Digunakan untuk rotasi dan pergerakan dukungan dan panduan bagian peralatan otomatisasi

Dalam struktur bangunan, bantalan dapat digunakan untuk menghubungkan berbagai komponen struktura...

Dalam proses produksi makanan dan minuman, pompa diperlukan untuk mengangkut cairan dan kompresor...

Bantalan digunakan di mesin pesawat terbang dan pesawat ruang angkasa untuk mendukung komponen be...

Berita dan Informasi

Pelajari Lebih Lanjut

2026-02-26

Apa Perbedaan Penting Antara Tingkat Presisi P6 dan P5 ...
Dalam dunia permesinan Computer Numerical Control (CNC) yang berpresisi tinggi, kinerja 6000 bantalan bola sangat penting untuk mencapai akurasi sub-mikron. Sebagai pekerja keras Bantala...

2026-02-19

Analisis Teknis: Apa Perbedaan Utama Antara Bantalan Bo...
Di bidang teknik presisi tinggi, pemilihan material yang tepat bantalan bola dalam alur baja tahan karat adalah keputusan yang menentukan umur operasional dan keselamatan seluruh mesi...

2026-02-12

Apakah Bantalan Bola Stainless Steel 6200 Diperlukan un...
Di bidang teknik gerak putar, seri 6200 adalah salah satu bantalan bola dalam alur yang paling banyak digunakan karena keserbagunaannya dan kapasitas beban radial yang dioptimalkan. Namun, ketika b...

Hubungi Kami

SUBMIT

Konsultasi Teknis

  • Perusahaan Bearing dan Transmisi Shanghai Yinin

    Solusi Khusus

  • Perusahaan Bearing dan Transmisi Shanghai Yinin

    R&D Berkelanjutan

  • Perusahaan Bearing dan Transmisi Shanghai Yinin

    Kontrol Kualitas

  • Perusahaan Bearing dan Transmisi Shanghai Yinin

    Dukungan Teknis dan Pelatihan

  • Perusahaan Bearing dan Transmisi Shanghai Yinin

    Respon Cepat

Jika Anda memiliki konsultasi teknis atau umpan balik, kami akan memberikan balasan paling profesional sesegera mungkin!

Hubungi Kami