Seri 33100 Bantalan rol yang meruncing
Seri 33100 Bantalan rol yang meruncing
Seri 33100 Bantalan rol yang meruncing

Seri 33100

Bantalan roller meruncing seri 33100 adalah bantalan berkinerja tinggi yang banyak digunakan dalam peralatan mekanis dan memiliki kapasitas bantalan beban yang sangat baik dan ketahanan aus. Bantalan semacam ini mengadopsi desain rol yang meruncing, yang secara efektif dapat membubarkan beban dan beradaptasi dengan gaya radial dan aksial yang besar. Cincin dan rol dalam dan luar dari bantalan seri 33100 adalah mesin presisi untuk memastikan kesesuaian yang baik dan kehilangan gesekan rendah, memperpanjang umur layanan. Selain itu, desain yang disegel bantalan mencegah intrusi debu dan kotoran, memastikan keandalan di lingkungan yang keras. Ini biasanya digunakan dalam industri mobil, pertambangan, metalurgi, dan industri lainnya, dan sangat cocok untuk kondisi kerja beban berat dan suhu tinggi. Dengan pelumasan dan pemeliharaan yang tepat, 33100 seri roller roller roller dapat memberikan kinerja yang sangat baik dan operasi yang stabil, memenuhi persyaratan tinggi untuk bantalan di industri modern.

Kirim Permintaan

Parameter Produk

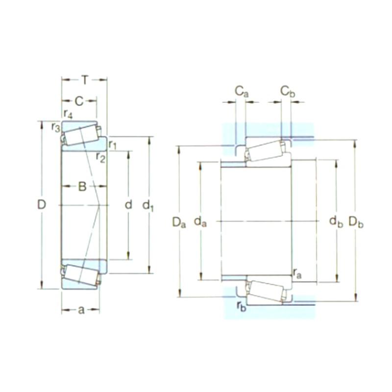
PenAmaan Dimensi utama (mm) Peringkat beban Dasar (kn) Pu Peringkat Kecepatan (RPM) Berat (kg) ISO335 Dimensi (mm) Dimensi abutment dan fillet (mm) Nilai
d1 D B DYC (CR) STC (COR) Peringkat Kecepatan Kecepatan Membatasi Dimensi (ABMA) d d1 ~ B C R1,2 (min) R3,4 (min) a da (maks) db (min) Da (min) Da (maks) Db (min) CA (min) CB (min) RA (MAX) RB (maks) e Y Yo
33108/q 40 75 26 91,5 104 11,4 7000 9000 0,51 2CE 40 57,5 26 20,5 1,5 1,5 18 47 47 65 68 71 4 5,5 1,5 1,5 0,35 1,7 0,9
33109/q 45 80 26 96,5 114 12,9 6700 8000 0,56 3CE 45 62,7 26 20,5 1,5 1,5 19 52 52 69 73 77 4 5,5 1,5 1,5 0,37 1,6 0,9
33110/q 50 85 26 100 122 13,4 6000 7500 0,59 3CE 50 67,9 26 20 1,5 1,5 20 57 57 74 78 82 4 6 1,5 1,5 0,4 1,5 0,8
33111/q 55 95 30 110 156 17,6 5000 6700 0,86 3CE 55 75,1 30 23 1,5 1,5 22 63 62 83 88 91 5 7 1,5 1,5 0,37 1,6 0,9
33112/q 60 100 30 134 170 19,6 5300 6300 0,92 3CE 60 80,4 30 23 1,5 1,5 23 67 67 88 93 96 5 7 1,5 1,5 0,4 1,5 0,8
33113/q 65 110 34 142 208 24 4300 5600 1,30 3de 65 87,9 34 26,5 1,5 1,5 26 74 72 96 103 106 6 7,5 1,5 1,5 0,4 1,5 0,8
33114/q 70 120 37 172 250 30 4000 5300 1,70 3de 70 94,8 37 29 2 1,5 28 80 79 104 112 115 6 8 2 1,5 0,37 1,6 0,9
33115/q 75 125 37 176 265 31,5 3800 5000 1,80 3de 75 100 37 29 2 1,5 29 84 84 109 117 120 6 8 2 1,5 0,4 1,5 0,8
33116/q 80 130 37 179 280 32,5 3600 4800 1,90 3de 80 105 37 29 2 1,5 30 89 89 114 122 126 6 8 2 1,5 0,43 1,4 0,8
33116tn9/q 80 130 37 179 280 32,5 3600 4800 1,90 3de 80 105 37 29 2 1,5 30 89 89 114 122 126 6 8 2 1,5 0,43 1,4 0,8
33117/q 85 140 41 220 340 38 3400 4500 2,45 3de 85 112 41 32 2,5 2 32 95 95 122 130 135 7 9 2 2 0,4 1,5 0,8
33118/q 90 150 45 251 390 43 3000 4300 3,10 3de 90 120 45 35 2,5 2 35 101 101 130 140 144 7 10 2 2 0,4 1,5 0,8
33118tn9/q 90 150 45 251 390 43 3000 4300 3,10 3de 90 120 45 35 2,5 2 35 101 101 130 140 144 7 10 2 2 0,4 1,5 0,8
33122 110 180 56 369 630 67 2600 3400 5,55 3ee 110 146 56 43 2,5 2 44 121 121 155 170 174 9 13 2 2 0,43 1,4 0,8

Tentang Yinin

Perusahaan Bearing dan Transmisi Shanghai Yinin Berdiri pada tahun 2009, dengan lebih dari 20 tahun pengalaman di bidang bearing. Kami adalah Pabrikan Seri 33100 Bantalan rol yang meruncing Tiongkok dan menyediakan Pabrik Seri 33100 Bantalan rol yang meruncing Khusus. Sejak tahun 1999, kami telah bertindak sebagai agen produsen bearing Tiongkok, mengekspor berbagai bearing. Saat ini, kami telah berkembang menjadi grup bearing komprehensif yang mengintegrasikan penjualan dan produksi.

Aplikasi Industri

Bantalan juga memainkan peran yang sangat penting dalam mesin pertanian. Mereka digunakan untuk m...

Bantalan banyak digunakan di mobil. Mereka adalah bagian utama yang mendukung dan berputar dari b...

Digunakan untuk dukungan, tinggi, sudut, sambungan, dan bagian yang berputar dari peralatan medis...

Digunakan untuk dukungan, rotasi, motor dan kompresor dari peralatan rumah tangga.

Digunakan untuk rotasi dan pergerakan dukungan dan panduan bagian peralatan otomatisasi

Dalam struktur bangunan, bantalan dapat digunakan untuk menghubungkan berbagai komponen struktura...

Dalam proses produksi makanan dan minuman, pompa diperlukan untuk mengangkut cairan dan kompresor...

Bantalan digunakan di mesin pesawat terbang dan pesawat ruang angkasa untuk mendukung komponen be...

Berita dan Informasi

Pelajari Lebih Lanjut

2026-03-26

Apa Keuntungan Struktural Menggunakan Bantalan Bola Bar...
Dalam teknik mesin presisi tinggi, pilihan antara komponen terintegrasi dan rakitan modular sering kali menentukan stabilitas akhir sistem. Untuk aplikasi rotasi yang memerlukan kekakuan tinggi, ...

2026-03-19

Mengapa 6000 Ball Bearing Anda Terlalu Panas, dan Bagai...
Di bidang mesin berputar presisi, itu 6000 bantalan bola adalah komponen yang ada di mana-mana, disukai karena kemampuannya menangani beban radial dan aksial dalam ukuran kompak 10x26...

2026-03-12

Mengapa Bantalan Bola Alur Dalam Baja Tahan Karat Food ...
Dalam lingkungan produksi makanan dan minuman yang berisiko tinggi, keandalan mekanis dan keamanan biologis tidak dapat dipisahkan. Pilihan dari bantalan bola dalam alur baja tahan karat ada...

Hubungi Kami

SUBMIT

Konsultasi Teknis

  • Perusahaan Bearing dan Transmisi Shanghai Yinin

    Solusi Khusus

  • Perusahaan Bearing dan Transmisi Shanghai Yinin

    R&D Berkelanjutan

  • Perusahaan Bearing dan Transmisi Shanghai Yinin

    Kontrol Kualitas

  • Perusahaan Bearing dan Transmisi Shanghai Yinin

    Dukungan Teknis dan Pelatihan

  • Perusahaan Bearing dan Transmisi Shanghai Yinin

    Respon Cepat

Jika Anda memiliki konsultasi teknis atau umpan balik, kami akan memberikan balasan paling profesional sesegera mungkin!

Hubungi Kami