Seri 30300 Bantalan rol yang meruncing
Seri 30300 Bantalan rol yang meruncing
Seri 30300 Bantalan rol yang meruncing

Seri 30300

Bantalan roller tapered seri 30300 adalah bantalan rolling berkinerja tinggi yang banyak digunakan dalam mesin industri, mobil, dan alat berat. Rangkaian bantalan ini mengadopsi desain rol yang meruncing, yang dapat menahan beban aksial dan radial yang besar, dan memiliki akurasi rotasi tinggi dan ketahanan aus. Struktur internalnya dioptimalkan untuk secara efektif mengurangi gesekan dan panas, sehingga memperpanjang masa pakainya. Bantalan seri 30300 biasanya terbuat dari baja paduan berkualitas tinggi, dengan pemesinan permukaan halus dan perlakuan panas untuk meningkatkan kekuatan dan daya tahannya. Rangkaian bantalan ini juga memiliki kinerja penyegelan yang baik, yang secara efektif dapat mencegah intrusi polutan eksternal dan beradaptasi dengan berbagai lingkungan kerja yang keras.

Kirim Permintaan

Parameter Produk

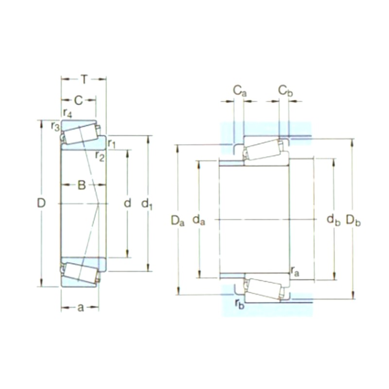
PenAmaan Dimensi utama (mm) Peringkat beban Dasar (kn) Pu Peringkat Kecepatan (RPM) Berat (kg) ISO335 Dimensi (mm) Dimensi abutment dan fillet (mm) Nilai
d1 D B DYC (CR) STC (COR) Peringkat Kecepatan Kecepatan Membatasi Dimensi (ABMA) d d1 ~ B C R1,2 (min) R3,4 (min) a da (maks) db (min) Da (min) Da (maks) Db (min) CA (min) CB (min) RA (MAX) RB (maks) e Y Yo
30303J2 17 47 15,25 28,1 25 2,75 12000 16000 0,13 2fb 17 30,4 14 12 1 1 10 25 23 40 41 42 2 3 1 1 0,28 2,1 1,1
32303J2/q 17 47 20,25 40 33,5 3.65 12000 16000 0,17 2fd 17 30,7 19 16 1 1 12 24 23 39 41 43 3 4 1 1 0,28 2,1 1,1
30304J2/q 20 52 16,25 39 32,5 3,6 12000 14000 0,17 2fb 20 34,3 15 13 1,5 1,5 11 28 27 44 45 47 2 3 1,5 1,5 0,3 2 1,1
30305J2 25 62 18,25 44,6 43 4,75 9000 12000 0,26 2fb 25 41,5 17 15 1,5 1,5 13 34 32 54 55 57 2 3 1,5 1,5 0,3 2 1,1
30306J2/q 30 72 20,75 64 56 6,4 8000 10000 0,39 2fb 30 48,4 19 16 1,5 1,5 15 41 37 62 65 66 3 4,5 1,5 1,5 0,31 1,9 1,1
30307J2/q 35 80 22,75 83 73,5 8,3 7500 9000 0,52 2fb 35 54,5 21 18 2 1,5 16 46 44 70 71 74 3 4,5 2 1,5 0,31 1,9 1,1
30308J2/q 40 90 25,25 100 95 10,8 6300 8000 0,72 2fb 40 62,5 23 20 2 1,5 19 53 49 77 81 82 3 5 2 1,5 0,35 1,7 0,9
30309J2/q 45 100 27,25 125 120 14,3 5600 7000 0,97 2fb 45 70,1 25 22 2 1,5 21 59 53 86 91 92 3 5 2 1,5 0,35 1,7 0,9
30310J2/q 50 110 29,25 143 140 16,6 5300 6300 1,25 2fb 50 77,2 27 23 2,5 2 23 65 60 95 100 102 4 6 2 2 0,35 1,7 0,9
30311j2/q 55 120 31,5 166 163 19,3 4800 5600 1,55 2fb 55 84 29 25 2,5 2 24 71 65 104 112 111 4 6,5 2 2 0,35 1,7 0,9
30312J2/q 60 130 33,5 168 196 23,6 4000 5300 1,95 2fb 60 91,9 31 26 3 2,5 26 77 72 112 118 120 5 7,5 2,5 2 0,35 1,7 0,9
30313j2/q 65 140 36 194 228 27,5 3600 4800 2,40 2GB 65 98,6 33 28 3 2,5 28 84 77 122 128 130 5 8 2,5 2 0,35 1,7 0,9
30314J2/q 70 150 38 220 260 31 3400 4500 2,90 2GB 70 105 35 30 3 2,5 29 90 82 130 138 140 5 8 2,5 2 0,35 1,7 0,9
30315J2/q 75 160 40 246 290 34 3200 4300 3.45 2GB 75 112 37 31 3 2,5 31 96 87 139 148 149 5 9 2,5 2 0,35 1,7 0,9
30316J2 80 170 42,5 270 320 38 3000 4300 4,10 2GB 80 120 39 33 3 2,5 33 102 92 148 158 159 5 9,5 2,5 2 0,35 1,7 0,9
30317J2 85 180 44,5 303 365 40,5 2800 4000 4,85 2GB 85 126 41 34 4 3 35 107 99 156 166 167 6 10,5 3 2,5 0,35 1,7 0,9
30318J2 90 190 46,5 330 400 44 2600 4000 5,65 2GB 90 132 43 36 4 3 36 113 105 165 176 176 6 10,5 3 2,5 0,35 1,7 0,9
30319 95 200 49,5 330 390 42,5 2600 3400 6,70 2GB 95 139 45 38 4 3 39 118 110 172 186 184 6 11,5 3 2,5 0,35 1,7 0,9
30320j2 100 215 51,5 402 490 53 2400 3200 8,05 2GB 100 148 47 39 4 3 40 127 115 184 201 197 6 12,5 3 2,5 0,35 1,7 0,9
30322j2 110 240 54,5 473 585 62 2200 2800 11,0 2GB 110 165 50 42 4 3 43 142 125 206 226 220 8 12,5 3 2,5 0,35 1,7 0,9
30324J2 120 260 59,5 561 710 73,5 2000 2600 14,0 2GB 120 178 55 46 4 3 47 153 135 221 245 237 7 13,5 3 2,5 0,35 1,7 0,9
30326J2 130 280 63,75 627 800 83 1800 2400 17,0 2GB 130 196 58 49 5 4 51 164 150 239 263 255 8 14,5 4 3 0,35 1,7 0,9
33030 150 225 59 457 865 86,5 2000 2600 8,15 2EE 150 188 59 46 3 2,5 48 164 162 200 213 217 8 13 2,5 2 0,37 1,6 0,9
30332J2 160 340 75 913 1180 114 1500 2000 29,0 2GB 160 233 68 58 5 4 61 201 180 290 323 310 9 17 4 3 0,35 1,7 0,9
30352J2 260 540 113 2120 3050 250 850 1200 110 - 260 376 102 85 6 6 97 325 286 461 514 493 15 28 5 5 0,35 1,7 0,9

Tentang Yinin

Perusahaan Bearing dan Transmisi Shanghai Yinin Berdiri pada tahun 2009, dengan lebih dari 20 tahun pengalaman di bidang bearing. Kami adalah Pabrikan Seri 30300 Bantalan rol yang meruncing Tiongkok dan menyediakan Pabrik Seri 30300 Bantalan rol yang meruncing Khusus. Sejak tahun 1999, kami telah bertindak sebagai agen produsen bearing Tiongkok, mengekspor berbagai bearing. Saat ini, kami telah berkembang menjadi grup bearing komprehensif yang mengintegrasikan penjualan dan produksi.

Aplikasi Industri

Bantalan juga memainkan peran yang sangat penting dalam mesin pertanian. Mereka digunakan untuk m...

Bantalan banyak digunakan di mobil. Mereka adalah bagian utama yang mendukung dan berputar dari b...

Digunakan untuk dukungan, tinggi, sudut, sambungan, dan bagian yang berputar dari peralatan medis...

Digunakan untuk dukungan, rotasi, motor dan kompresor dari peralatan rumah tangga.

Digunakan untuk rotasi dan pergerakan dukungan dan panduan bagian peralatan otomatisasi

Dalam struktur bangunan, bantalan dapat digunakan untuk menghubungkan berbagai komponen struktura...

Dalam proses produksi makanan dan minuman, pompa diperlukan untuk mengangkut cairan dan kompresor...

Bantalan digunakan di mesin pesawat terbang dan pesawat ruang angkasa untuk mendukung komponen be...

Berita dan Informasi

Pelajari Lebih Lanjut

2026-02-26

Apa Perbedaan Penting Antara Tingkat Presisi P6 dan P5 ...
Dalam dunia permesinan Computer Numerical Control (CNC) yang berpresisi tinggi, kinerja 6000 bantalan bola sangat penting untuk mencapai akurasi sub-mikron. Sebagai pekerja keras Bantala...

2026-02-19

Analisis Teknis: Apa Perbedaan Utama Antara Bantalan Bo...
Di bidang teknik presisi tinggi, pemilihan material yang tepat bantalan bola dalam alur baja tahan karat adalah keputusan yang menentukan umur operasional dan keselamatan seluruh mesi...

2026-02-12

Apakah Bantalan Bola Stainless Steel 6200 Diperlukan un...
Di bidang teknik gerak putar, seri 6200 adalah salah satu bantalan bola dalam alur yang paling banyak digunakan karena keserbagunaannya dan kapasitas beban radial yang dioptimalkan. Namun, ketika b...

Hubungi Kami

SUBMIT

Konsultasi Teknis

  • Perusahaan Bearing dan Transmisi Shanghai Yinin

    Solusi Khusus

  • Perusahaan Bearing dan Transmisi Shanghai Yinin

    R&D Berkelanjutan

  • Perusahaan Bearing dan Transmisi Shanghai Yinin

    Kontrol Kualitas

  • Perusahaan Bearing dan Transmisi Shanghai Yinin

    Dukungan Teknis dan Pelatihan

  • Perusahaan Bearing dan Transmisi Shanghai Yinin

    Respon Cepat

Jika Anda memiliki konsultasi teknis atau umpan balik, kami akan memberikan balasan paling profesional sesegera mungkin!

Hubungi Kami